Description
Fits: 2001 Chevy Silverado/GMC Sierra 2500HD/3500HD LB7 Duramax Diesel
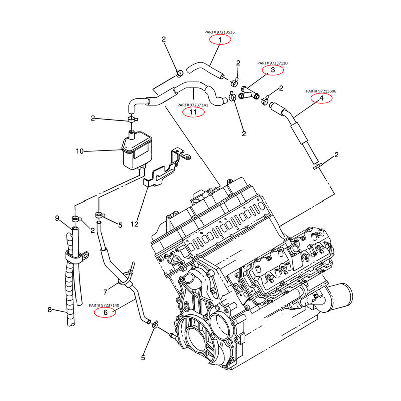
*Check pictured diagram to confirm part number and call out number*
Replace your worn out positive crankcase ventilation hose/s. It’s common for the rubber to dry out and crack over time causing leaks.
DmaxStore Note:
- Not sure what options your vehicle has? Get a complete breakdown of the options your vehicle came with via our









